- Yueqing Yister Electric Co.,Ltd.
-
Wenzhou, Zhejiang, China
- Основные продукты: Пневматический соленоидный клапан , Пневматический механический клапан , Воздушный контрольный клапан , Рукояточный рычажный клапан , Рукояточный тяговый клапан , Пневматический цилиндр , Пневматическая PU-трубка , Воздушный регулятор-фильтр , Пневматические фитинги , Механический клапан , Педальный клапан , Рукояточный скользящий клапан
Главная > Продукты > Пневматические цилиндры > Пневматические цилиндры стандарта Airtac типа SC SU DNC
Пневматические цилиндры стандарта Airtac типа SC SU DNC
- NINGBO OR SHANGHAI
- T/T L/C D/P D/A Кредитная карта PayPal Наличные деньги Эскроу Другие
- 7 days
Вам может понравиться
-
SMC AIRTAC тип FRL AC2000 комбинация для обработки источника воздуха: фильтр
-
4M210/4M310 НАМУР электромагнитный клапан 220В 1/4 без электропневматических воздушных регулирующих клапанов 4V210-08 для заслонки
-
4M210/4M310 клапан с электромагнитным приводом NAMUR 220В 1/4 без электро-пульсационные воздушные управляющие клапаны 4V210-08 для шарового клапана
-
K23JC3-L6 Пневматический механический обратный клапан с ручным управлением посредством роликового рычага 3/2-ходового для машины для производства бумажных стаканчиков
-
Пневматический воздушный электромагнитный клапан M5PP210-08 механический пневматический клапан
-
Пневматический контрольный клапан M5R210-08
Детали продукта
| Название бренда | Yister | Место производства | China | |
| Модельный номер | SC SCD SCJ | Тип | Цилиндр |
Описание продукта
Пневматические цилиндры стандарта Airtac типа SC SU DNC, двустороннего действия, с тяговым штоком, регулируемой ходом
Код заказа для стандартных пневматических цилиндров
Обозначение пневматических цилиндров
Технические параметры
Диаметр поршня (мм) | SC32 | SC40 | SC50 | SC63 | SC80 | SC100 | |||
Тип действия | Двустороннее действие | ||||||||
Жидкость | Воздух | ||||||||
Тип монтажа | SC | Базовые FA FB CA CB LB TC TCM1 | |||||||
SCD,SCJ | Базовые FA LB TC TCM1 | ||||||||
Рабочее давление | 0,15~1,0 МПа | ||||||||
Тестовое давление | 1,5 МПа | ||||||||
Температура ℃ | -5~60 | ||||||||
Диапазон скорости, мм/с | 30~800 | ||||||||
Тип подушки | Регулируемая подушка | ||||||||
Регулируемый ход подушки | 21 | 28 | 29 | ||||||
Размер порта | 1/8" | 1/4" | 3/8" | 1/2" | |||||
Ход
Артикул | Диаметр отверстия (мм) | Стандартный ход (мм) | Максимальный ход (мм) | Разрешенный ход (мм) |
SC SCD SCJ | 32 | 25 50 75 80 100 125 150 160 175 200 250 300 350 400 450 500 | 1000 | 1800 |
40 | 25 50 75 80 100 125 150 160 175 200 250 300 350 400 450 500 600 700 800 900 1000 ? | 1200 | 1800 | |
50 | 1200 | 1800 | ||
63 | 1500 | 1800 | ||
80 | 1500 | 1800 | ||
100 | 1500 | 1800 |
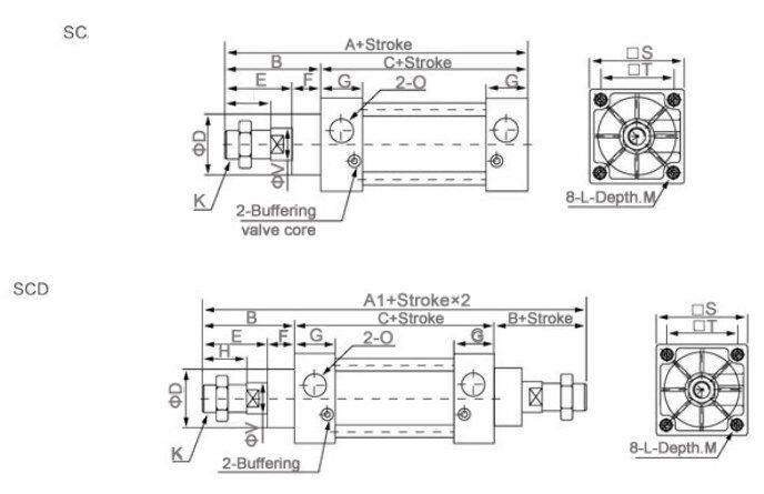
Размеры
Особенности
.Серия SC пневматических двусторонне действующих стандартных воздушных цилиндров соответствует стандартам Airtac
.На концах цилиндра, кроме монтируемого амортизатора, есть регулируемые буферы.
.Мы можем предложить различные типы монтажа в соответствии со стандартами Airtac, например, монтаж на ножку, монтаж на переднюю фланец, монтаж на заднюю фланец и т.д.
.Можно предложить различные типы резьбы в соответствии с требованиями клиентов, например: BSP, NPT и т.д.
.Не требуется смазка штока поршня маслом
О нас
Yister специализируется на производстве пневматических стандартных цилиндров, миницилиндров, тонких цилиндров, пневматических пальцев, двуосевых цилиндров, игольчатых цилиндров. Мыприменяем международно передовые технологии производства и научные методы управления. Все продукты реализуют компьютерную вспомогательную разработку и управление производством. Ключевые компоненты импортируются из Европы и США. Основные показатели качества продукции достигли международного уровня.
Упаковка и доставка
Часто задаваемые вопросы
В: Принимаете ли вы заказ на производство по образцу (OEM)?
О: Да, мы предоставляем услугу OEM.
В: Какие сертификаты вы можете предоставить?
О: Сертификаты CE, ISO9001.
В: Какие продукты вы производите и продаете?
О: Пневматические цилиндры: стандартные цилиндры серии DNC, пневматические цилиндры серии SU, пневматические цилиндры серии SC
Пневматические цилиндры
Пневматические трубы и штуцеры
Пневматический блок обработки воздуха
Пневматический клапан управления
Электромагнитные клапаны
Механический клапан
Ручной клапан
Оборудование для подготовки воздуха: регулятор давления воздуха, воздушный фильтр, комбинированное устройство для обработки воздуха, воздушный смазчик
Другие пневматические компоненты
В: Могу ли я сначала купить 1 образец и сделать небольшой заказ?
О: Конечно, мы поддерживаем заказ образца и небольшие заказы, особенно для новых клиентов в определенных условиях.
В: Если у меня есть свои идеи, можете ли вы проектировать и выполнять заказ по моим требованиям?
A: Конечно, наша команда дизайнеров готова выполнить это для вас.
Свяжитесь с нами
- Yueqing Yister Electric Co.,Ltd.
- Имя контактаCherry Chen Начать чат
- Телефон86-577-27890260
- АдресYueqing, Wenzhou, Zhejiang
Категории товаров
Новые продукты
-
Рукоятный клапан рычажного типа серии M5Y пятиходового исполнения M5Y210-08
-
Механический клапан с грибчатой кнопкой MOV-03
-
MOV321 R 2/2-ходовой 1/8 механический клапан направления с ручным управлением
-
Пневматический электромагнитный клапан MOV321LB Механический контрольный клапан
-
Серия MOV 3/2-ходовые механические пневматические клапаны из алюминиевого сплава с оригинальным дизайном MOV321PB
-
MOV321PP Стандартные пневматические детали
-
MOV321PPL Стандартная серия MOV 3/2-ходовой механический пневматический клапан из алюминиевого сплава с оригинальным дизайном
-
Механический контрольный клапан MOV321R из алюминиевого сплава. Особенный пневматический клапан
-
MOV321TB Трехходовой механический пневматический клапан из алюминиевого сплава с оригинальным дизайном
-
5-позиционный
-
Алюминиевые цилиндры пневматические двутрубные стандарта SU типа Airtac из алюминиевого сплава
-
Пневматический цилиндр двойного действия типа FESTO dnc-63-500-ppv-a
-
Однопоршневый одностороннего действия мини пневмоцилиндр из алюминиевого сплава серии MAL с магнитным устройством
-
Пневматический клапан переключения MV322 Пневматические детали Механический контроль Ручной пневматический клапан
-
1/4" газовый механический воздушный клапан G1/4" MV322EB ручной клапан
-
Пневматический воздушный механический клапан MV322LB клапан с кнопкой
-
Серия M322 3/2-ходовые пневматические механические клапаны MV322PB с кнопкой
-
Кнопочный клапан MV322PP пневматический механический воздушный клапан
-
Электромагнитный клапан MV322PPL Ручной механический регулирующий клапан
-
Серия MA поршневые пневматические цилиндры. Нержавеющие стальные мини пневматические цилиндры
-
Пневматический клапан рулонного типа с ручным переключением
-
Пневматический селекторный переключатель
-
5/2-путевое базовое ручное переключательное клапанное устройство типа MV522
-
Двухпозиционный пятиходовой механический клапан MV522EB
Популярные поиски
- позиционер
- соединитель для шланга
- Гидравлическое соединение
- быстрая муфта
- соединитель для шланга
- гидравлический адаптер
- трубное соединение
- трубный соединитель
- Соединительный адаптер
- воздушное соединение
- Пневматическое соединение
- Вдавливающийся фиттинг
- Пневматический разъем
- Пневматический привод
- Пневматический фиттинговый компонент
- Пластиковый строительный соединитель
- машинное оснащение
- муфта для шланга
- соединитель воздушного шланга
- Соединительный фитинг
- быстрый разъем
- клип-фиксатор
- Медный муфта
- Алюминиевое муфтовое соединение Camlock
- Стальной быстросъемный соединитель
- Соединитель Camlock Groove
- быстрое соединение
- Пневматическое соединительное устройство
- Воздушное соединение
- Соединитель для шланга
Рекомендуемые продукты
- Манжета Norgren, снижает уровень шума пневматического оборудования T1000C1800 T20C4800
- Цилиндр Festo Festo DNC
- Ближний выключатель цилиндра Festo
- Пневматические электромагнитные клапаны Festo, цилиндр
- AVENTICS 0820055051 HF03-LG 5/2-направленный клапан
- Поискатель клапана
- Samlongda 22SH 23SH 24SH Nitto быстросъемный муфта ?одним касанием?
- Миниатюрный генератор вакуума
- Миниатюрный генератор вакуума
- Миниатюрный генератор вакуума
- Миниатюрный генератор вакуума
- Генератор вакуума
Найти похожие продукты по категории
- Автомобильные и мотоциклетные запчасти и аксессуары > Автомобильные запчасти > Автомобильный компрессор
- Please Enter your Email Address
- Please enter the content for your inquiry.
We will find the most reliable suppliers for you according to your description.
Send Now-
Cherry Chen
Привет! Добро пожаловать в мой магазин. Сообщите, если у вас есть вопросы.
Ваше сообщение превысило лимит.
- Свяжитесь с поставщиком для получения наименьшей цены
- Персонализированный запрос
- Запросить образец
- Запросить Бесплатные Каталоги
Ваше сообщение превысило лимит.
-
Количество покупки
-
*Детали закупок
Содержание вашего запроса должно быть от 10 до 5000 символов.
-
*Электронная почта
Пожалуйста, введите свою действительную адрес электронной почты.
-
Мобильный





SMC AIRTAC тип FRL AC2000 комбинация для обработки источника воздуха: фильтр
4M210/4M310 НАМУР электромагнитный клапан 220В 1/4 без электропневматических воздушных регулирующих клапанов 4V210-08 для заслонки
K23JC3-L6 Пневматический механический обратный клапан с ручным управлением посредством роликового рычага 3/2-ходового для машины для производства бумажных стаканчиков
Пневматический воздушный электромагнитный клапан M5PP210-08 механический пневматический клапан
Пневматический контрольный клапан M5R210-08








Рукоятный клапан рычажного типа серии M5Y пятиходового исполнения M5Y210-08
Механический клапан с грибчатой кнопкой MOV-03
MOV321 R 2/2-ходовой 1/8 механический клапан направления с ручным управлением
Пневматический электромагнитный клапан MOV321LB Механический контрольный клапан
Серия MOV 3/2-ходовые механические пневматические клапаны из алюминиевого сплава с оригинальным дизайном MOV321PB
MOV321PP Стандартные пневматические детали
MOV321PPL Стандартная серия MOV 3/2-ходовой механический пневматический клапан из алюминиевого сплава с оригинальным дизайном
Механический контрольный клапан MOV321R из алюминиевого сплава. Особенный пневматический клапан
MOV321TB Трехходовой механический пневматический клапан из алюминиевого сплава с оригинальным дизайном
5-позиционный
Алюминиевые цилиндры пневматические двутрубные стандарта SU типа Airtac из алюминиевого сплава
Пневматический цилиндр двойного действия типа FESTO dnc-63-500-ppv-a
Однопоршневый одностороннего действия мини пневмоцилиндр из алюминиевого сплава серии MAL с магнитным устройством
Пневматический клапан переключения MV322 Пневматические детали Механический контроль Ручной пневматический клапан
1/4" газовый механический воздушный клапан G1/4" MV322EB ручной клапан
Пневматический воздушный механический клапан MV322LB клапан с кнопкой
Серия M322 3/2-ходовые пневматические механические клапаны MV322PB с кнопкой
Кнопочный клапан MV322PP пневматический механический воздушный клапан
Электромагнитный клапан MV322PPL Ручной механический регулирующий клапан
Серия MA поршневые пневматические цилиндры. Нержавеющие стальные мини пневматические цилиндры
Пневматический клапан рулонного типа с ручным переключением
Пневматический селекторный переключатель
5/2-путевое базовое ручное переключательное клапанное устройство типа MV522
Двухпозиционный пятиходовой механический клапан MV522EB