Главная > Продукты > Роторный электродвигатель постоянного тока > Высококачественный 16-мм ДЦ зубчатый редукторный двигатель 3В 6В с прямозубым редуктором ДЦ двигатель 16A030 от kegumotor
Высококачественный 16-мм ДЦ зубчатый редукторный двигатель 3В 6В с прямозубым редуктором ДЦ двигатель 16A030 от kegumotor
US$ 5.0 - 6.5
/ Piece
1 Piece(Мин.заказ)
- shenzhen/hongkong
- T/T L/C D/P D/A Кредитная карта PayPal Наличные деньги Эскроу
- 7 days
Вам может понравиться
-
Низкоскоростный 13-мм DC двигатель постоянного тока с напряжением 12В и 6В
-
3в 5в 9в 12в мини зубчатый двигатель постоянного тока
-
Мотор Kegu диаметром 20 мм
-
100 об
-
25 мм ДЦ зубчатый электродвигатель 6В 12В 370 ДЦ щеточный электродвигатель с 25 мм металлическим редуктором
-
25 мм миниатюрный электрический двигатель с редуктором для игрушек
Детали продукта
| Название бренда | kegumotor | Место производства | China | |
| Модельный номер | KG-16A030/050 | Тип | Микродвигатель | |
| Сертификация | CCC, СЕ, ROHS | Момент вращения | 500г.см | |
| Применение | Лодка, Автомобиль, Электровелосипед, Вентилятор, Бытовая техника | Строительство | Постоянный магнит | |
| Эффективность | IE 1 | Защитная функция | Взрывобезопасный | |
| Напряжение (В) | 12 | Выходная мощность | 10 | |
| Постоянный ток (А) | 0.05 | Скорость (об/мин) | 2500 | |
| Коммутация | Бесщеточный |
Описание продукта
Описание продукта
16 мм 3.7В 4В 6В 12В микродвигатель постоянного тока с шестернями для робот-игрушек
Двигатель постоянного тока FF-030 с металлическими шестернями 12В для замков дверей


ТЕХНИЧЕСКИЕ ХАРАКТЕРИСТИКИ:
16 мм 3.7В 4В 6В 12В микродвигатель постоянного тока с шестернями для робот-игрушек
1. Номинальное напряжение: постоянный ток 3В - 12В 2. Частота вращения на холостом ходу: 17 - 3000 об/мин
Мощность выхода: приблизительно 0.2 - 3.0 Вт
Двигатель постоянного тока с металлическими шестернями высокой точности
Доступен энкодер
Типичные области применения:
Электронные замки дверей
Умные бытовые приборы
Умные роботы
Электрические игрушки
1. Номинальное напряжение: постоянный ток 3В - 12В 2. Частота вращения на холостом ходу: 17 - 3000 об/мин
Мощность выхода: приблизительно 0.2 - 3.0 Вт
Двигатель постоянного тока с металлическими шестернями высокой точности
Доступен энкодер
Типичные области применения:
Электронные замки дверей
Умные бытовые приборы
Умные роботы
Электрические игрушки
Kegu Motor Предлагает интеллектуальное решение для замков
Специальная импортная сталь для материала шестерен, минимальный модуль (0,15 модуля), сверхнизкий шум, высокая надежность. Электродвигатель использует высоко антиоксидирующий коммутатор и материал щеток, обладающий характеристиками плавного функционирования, длительного срока службы и малой вибрации.
* Высокий крутящий момент
* Низкий уровень шума
* Более длительный срок службы до 200 000 раз открывания
* Высокий крутящий момент
* Низкий уровень шума
* Более длительный срок службы до 200 000 раз открывания

Детальные изображения
Эта серия электродвигателей используется в интеллектуальных переключателях, умных домофонных замках, приводах для замков с отпечатками пальцев. Систему управления различными замками и замками с отпечатками пальцев можно контролировать с помощью мобильного приложения APP.




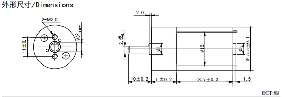
Информация о размерах
Чертеж шестеренного электродвигателя диаметром 16 мм

Полный ассортимент высокоточных редукторов, диаметры 6 мм, 8 мм, 10 мм, 12 мм, 13 мм, 16 мм, 20 мм, 22 мм, 24 мм, 28 мм, 32 мм, 36 мм, 37 мм, 42 мм, 48 мм, выходная скорость 5 - 3000 об/мин, передаточное число 5 - 1500, выходный момент 1 г·см до 50 кг·см
Упаковка и доставка


Послепродажное обслуживание

Надежность и стабильность продукта являются важными показателями для оценки технического уровня продукта. Для точного анализа, оценки и проверки характеристик продукта.

Таким образом, компания So Kegu ответит на жалобу клиента в течение 2 дней после получения жалобы от клиента. Команда инженеров анализирует причины на основе жалобы клиента и оценивает производственный процесс. После подтверждения проблемы с двигателем клиент может вернуть бракованный двигатель, а мы отправим все двигатели после ремонта.
Информация о компании
Шэньжэнь Кэ Гу Технологии Ко., Лтд - это частное высокотехнологичное предприятие, объединяющее в себе исследование, разработку, производство и продажу различных типов миниатюрных постоянномагнитных двигателей постоянного тока, точных редукторов, микропередач систем. Мы также предоставляем решения по приводам для клиентов, начиная от проектирования, изготовления компонентов и сборки. Компания строго выполняет систему менеджмента ISO 9001:2015.
Продукты широко применяются в автомобилестроении, коммуникационных устройствах, умных домах, медицинской аппаратуре, интеллектуальной безопасности, бытовой технике, западной кухонной технике, машиностроении и электронике и других высокотехнологичных трансмиссионных конструкциях. Продукты экспортируются в более чем 50 стран и регионов в стране и за рубежом.



Наши услуги и преимущества
Команда исследований и разработок много лет занимается проектированием и разработкой микроприводных систем и предоставляет решения по приводным системам для клиентов.
Предоставляем услуги по индивидуальному проектированию, разработке, производству и сборке микрозубчатых передач.
Сертификаты


Часто задаваемые вопросы
В: 1. Какие двигатели вы можете предоставить?
Q:5. Можно получить образцы?
A: Зависит. Если нужны только несколько образцов для личного использования или замены, боюсь, нам будет сложно предоставить, поскольку все наши двигатели изготовляются по индивидуальным заказам, и в наличии нет запасов, если нет дальнейших потребностей. Если образцы нужны для тестирования перед официальным заказом, а наши минимальные объемы заказа, цены и другие условия вас устраивают, мы с радостью предоставим образцы.
О: Полный ряд точных редукторов, диаметры 6 мм, 8 мм, 10 мм, 12 мм, 13 мм, 16 мм, 20 мм, 22 мм, 24 мм, 28 мм, 32 мм, 36 мм, 37 мм, 42 мм, 48 мм, выходная скорость 5 - 3000 об/мин, передаточное число 5 - 1500, выходный момент 1 г·см до 50 кг·см
В: 2. Можете ли вы прислать мне прайс-лист?
О: Все наши двигатели индивидуально проектируются в соответствии с различными требованиями, такими как ресурс работы, уровень шума, напряжение, вал и т.д. Цена также зависит от годового объема заказа. Поэтому нам очень трудно предоставить прайс-лист. Если вы можете сообщить подробные требования и годовой объем заказа, мы рассмотрим, какие предложения мы сможем сделать.
О: Все наши двигатели индивидуально проектируются в соответствии с различными требованиями, такими как ресурс работы, уровень шума, напряжение, вал и т.д. Цена также зависит от годового объема заказа. Поэтому нам очень трудно предоставить прайс-лист. Если вы можете сообщить подробные требования и годовой объем заказа, мы рассмотрим, какие предложения мы сможем сделать.
Q:3. Какой срок изготовления для обычного заказа?
A: Для заказов стандартный срок изготовления составляет 25-40 дней. Этот срок может быть меньше или больше в зависимости от модели, периода и количества.
A: Для заказов стандартный срок изготовления составляет 25-40 дней. Этот срок может быть меньше или больше в зависимости от модели, периода и количества.
Q:4. Возможно ли вам разработать новые двигатели, если мы сможем покрыть затраты на оснащение?
A: Да. Пожалуйста, дайте подробные требования, такие как характеристики, размеры, годовое количество, целевая цена и т.д. Затем мы сделаем оценку, чтобы определить, сможем ли мы приступить к работе.
A: Да. Пожалуйста, дайте подробные требования, такие как характеристики, размеры, годовое количество, целевая цена и т.д. Затем мы сделаем оценку, чтобы определить, сможем ли мы приступить к работе.
Q:5. Можно получить образцы?
A: Зависит. Если нужны только несколько образцов для личного использования или замены, боюсь, нам будет сложно предоставить, поскольку все наши двигатели изготовляются по индивидуальным заказам, и в наличии нет запасов, если нет дальнейших потребностей. Если образцы нужны для тестирования перед официальным заказом, а наши минимальные объемы заказа, цены и другие условия вас устраивают, мы с радостью предоставим образцы.

Свяжитесь с нами
- Shen Zhen Ke Gu Technology Co.,Ltd
- Имя контактаDylan Wang Начать чат
- Телефон86-0755-27801762
- АдресBao An, Shenzhen, Guangdong
Категории товаров
Новые продукты
-
L-образный DC-редукторный двигатель N20 диаметром 10-24 мм для интеллектуальных роботов
-
Миниатюрный постоянного тока червячный электродвигатель 12В 24В с валом формы D
-
37-мм двигатель с редуктором постоянного тока 12В 24В с энкодером для 37-мм металлического редуктора и интеллектуального робота
-
48 мм электродвигатель постоянного тока с щетками
-
2.5В 12 мм электродвигатель с редуктором типа N30 постоянного тока, 12 мм электродвигатель с редуктором для умного замка
-
Мотор с зубчатым редуктором постоянного тока малого диаметра в форме буквы U, 12В двигатель постоянного тока N20 с микродатчиком, автоматически блокируемый зубчатый двигатель с энкодером
-
Двигатель с планетарным редуктором постоянного тока с высоким крутящим моментом диаметром 37 мм
-
Миниатюрный клапан редуктора с низким уровнем шума
-
16 мм ДЦ планетарный зубчатый электродвигатель с энкодером
-
Редукторный электродвигатель диаметром 37 мм
-
25 мм ДЦ зубчатый двигатель 6 В 12 В
-
GM12-N20-EN N10 N20 N30 миниатюрный двигатель постоянного тока 3В 6В 12В с передаточным отношением 210:1
-
GM13-050SHV 13-мм миниатюрный микро металлический редукторный двигатель постоянного тока 12В 6В с энкодером для робота
-
GM37-3530 Высококачественный электродвигатель с постоянным током 24 В с металлическим редуктором диаметром 37 мм
-
Мотор Kegu GM12-1215R Микро 12 мм постоянного тока 3В 6В 12В высокоскоростной мини безиронкового щеточного мотора постоянного тока для интеллектуальной замковой системы
-
Мотор Kegu GM12-N20VA с низкой скоростью и большим моментом вращения постоянного тока
-
Готов к отправке 12В 24В электродвигатель постоянного тока с диаметром 32 мм
-
Мотор Kegu Motor KG-60B775 диаметром 60 мм с высоким крутящим моментом 70 кг.см
-
KG-60B775 12в 24в двигатель постоянного тока с редуктором высокого крутящего момента и низкой скорости
-
Низкоскоростный 16-мм планетарный зубчатый постоянный токовый двигатель напряжением 6 В и 12 В для робота
-
Мотор Kegu с планетарной коробкой передач диаметром 22 мм
-
28 мм бесщеточный планетарный редукторный электродвигатель 12В/24В постоянного тока планетарный редукторный двигатель для робота
-
12В 24В постоянного тока бесщеточный планетарный редуктор с диаметром 32 мм
-
12В 24В 36-вольтный бесщеточный зубчатый постоянного тока двигатель диаметром 16 мм
Популярные поиски
- Мотор для чистильщика
- Тихий двигатель вентилятора
- электрический линейный актуатор
- остаточный товар
- Микромотор
- Щеточный двигатель
- Универсальный двигатель
- гидравлический привод
- безщеточный двигатель
- безщеточный
- БЛДЦ-мотор
- электрический мотор для отвертки
- редукторный двигатель
- DC-мотор
- Постояннотоковый редукторный двигатель
- Бесщеточный двигатель постоянного тока
- DC-микродвигатель
- Редукторный электродвигатель
- Колесный двигатель
- Тату-мотор
- Линейный привод
- Маленький электрический двигатель
- магнитный двигатель
- автомобильный двигатель
- Микроэлектродвигатель постоянного тока
- Щеточный постоянный двигатель
- Двигатель грузовика
- электропривод
- Мотор стеклоочистителя
- Червячный редукторный двигатель
Рекомендуемые продукты
- Производитель бесщеточных двигателей поставляет двигатели с напряжением 48В, 60В, 72В, 24В, мощностью от 1 кВт до 10 кВт (1500 Вт - 10 кВт), с числом оборотов 1500 об/мин и 3000 об/мин, оснащенные датчиком Холла, высокого качества и по низкой цене.
- Ротор вентилятора с коллекторным электродвигателем
- Мотор регулировки скорости регулятора, подходящий для регуляторов WOODWARD, ZEXEL, EUROPA
- Поставка от производителя: микропереходный двигатель 5В, 10 мм с линейным винтовым валом
- Прецизионно спроектированный DC редукторный двигатель: идеально подходит для промышленного использования
- Высокомоментный DC - редукторный двигатель для тяжелых применений
- Прецизионно изготовленный постоянный магнитный двигатель постоянного тока для оптимальной работы
- Энергосберегающий постояннополюсный двигатель постоянного тока - ваш надежный источник энергии
- Высокомоментный постоянный магнитный двигатель постоянного тока: идеален для промышленных применений
- Мотор DC без щеток премиум качества с долговременной прочностью
- Энергоэффективный бесщеточный двигатель постоянного тока - ваш идеальное энергетическое решение
- Высокопроизводительный бесколлекторный двигатель постоянного тока для промышленных и бытовых применений
Найти похожие продукты по категории
- Электрические и электронные товары > Электродвигатель > DC Motor
- Please Enter your Email Address
- Please enter the content for your inquiry.
We will find the most reliable suppliers for you according to your description.
Send Now
Shen Zhen Ke Gu Technology Co.,Ltd
AIBot в сетиЭта беседа сгенерирована искусственным интеллектом. Перед совершением транзакции свяжитесь с производителем, чтобы подтвердить информацию.
-
Dylan Wang
Привет! Добро пожаловать в мой магазин. Сообщите, если у вас есть вопросы.
Ваше сообщение превысило лимит.
- Свяжитесь с поставщиком для получения наименьшей цены
- Персонализированный запрос
- Запросить образец
- Запросить Бесплатные Каталоги
Ваше сообщение превысило лимит.
-
Количество покупки
-
*Детали закупок
Содержание вашего запроса должно быть от 10 до 5000 символов.
-
*Электронная почта
Пожалуйста, введите свою действительную адрес электронной почты.
-
Мобильный






Низкоскоростный 13-мм DC двигатель постоянного тока с напряжением 12В и 6В
3в 5в 9в 12в мини зубчатый двигатель постоянного тока
Мотор Kegu диаметром 20 мм
100 об
25 мм ДЦ зубчатый электродвигатель 6В 12В 370 ДЦ щеточный электродвигатель с 25 мм металлическим редуктором
L-образный DC-редукторный двигатель N20 диаметром 10-24 мм для интеллектуальных роботов
Миниатюрный постоянного тока червячный электродвигатель 12В 24В с валом формы D
37-мм двигатель с редуктором постоянного тока 12В 24В с энкодером для 37-мм металлического редуктора и интеллектуального робота
48 мм электродвигатель постоянного тока с щетками
2.5В 12 мм электродвигатель с редуктором типа N30 постоянного тока, 12 мм электродвигатель с редуктором для умного замка
Мотор с зубчатым редуктором постоянного тока малого диаметра в форме буквы U, 12В двигатель постоянного тока N20 с микродатчиком, автоматически блокируемый зубчатый двигатель с энкодером
Двигатель с планетарным редуктором постоянного тока с высоким крутящим моментом диаметром 37 мм
Миниатюрный клапан редуктора с низким уровнем шума
16 мм ДЦ планетарный зубчатый электродвигатель с энкодером
Редукторный электродвигатель диаметром 37 мм
25 мм ДЦ зубчатый двигатель 6 В 12 В
GM12-N20-EN N10 N20 N30 миниатюрный двигатель постоянного тока 3В 6В 12В с передаточным отношением 210:1
GM37-3530 Высококачественный электродвигатель с постоянным током 24 В с металлическим редуктором диаметром 37 мм
Мотор Kegu GM12-1215R Микро 12 мм постоянного тока 3В 6В 12В высокоскоростной мини безиронкового щеточного мотора постоянного тока для интеллектуальной замковой системы
Мотор Kegu GM12-N20VA с низкой скоростью и большим моментом вращения постоянного тока
Готов к отправке 12В 24В электродвигатель постоянного тока с диаметром 32 мм
Мотор Kegu Motor KG-60B775 диаметром 60 мм с высоким крутящим моментом 70 кг.см
Низкоскоростный 16-мм планетарный зубчатый постоянный токовый двигатель напряжением 6 В и 12 В для робота
Мотор Kegu с планетарной коробкой передач диаметром 22 мм
28 мм бесщеточный планетарный редукторный электродвигатель 12В/24В постоянного тока планетарный редукторный двигатель для робота
12В 24В постоянного тока бесщеточный планетарный редуктор с диаметром 32 мм
12В 24В 36-вольтный бесщеточный зубчатый постоянного тока двигатель диаметром 16 мм