- Acrel Electric Co., Ltd
-
Shanghai, China
- Main products: Hall Sensor, Split Core Current Transformer, AC Energy Meter, DC Energy Meter, IoT Wireless Power Meter, PV/Solar Inverter Energy Meter, Data Center Power Meter, Wireless Temperature Monitoring System and Sensors, Medical IT Products, City Utility Tunnel Moter Protector, Electrical Insulation Safety Products, Energy Quality Improvement
Home > Products > AGF Series Solar String Monitoring Device > Acrel AGF-M8T Photovoltaic Confluence Detection 3.5KV Hall Isolation RS485 8 Channels DC0-20mA Solar String Monitoring Device
Acrel AGF-M8T Photovoltaic Confluence Detection 3.5KV Hall Isolation RS485 8 Channels DC0-20mA Solar String Monitoring Device
- T/T L/C Credit Card PayPal
You May Like
-
Acrel DJSF1352-RN Din Rail DC Energy Meter For Photovoltaic Solar System With LCD Display RS485 Modbus-RTU 85-265 Power Supply
-
Acrel DJSF1352-RN Din Rail PV DC Meter For Photovoltaic Solar System With RS485 Modbus-RTU Can Be Used With Shunt
-
DJSF1352-RN Din Rail One Channel DC Charging Pile Energy Meter Kwh Meter With Shunt 75mV Input
-
Acrel DJSF1352-RN DC Dual-circuits Monitoring DIN Rail Energy Meter 75mV With Shunt 4~20mA With Hall Sensor
-
DJSF1352-RN 0-1000V Input Din Rail Mounted DC Energy Meter RS485 DC Energy Monitor
-
BD Electrical Transducer Power Supply 85~265V AC 50Hz Current Transducer With Voltage 420ma Output for Industrial Automation
Product Details
| Brand Name | Acrel | Place of Origin | China | |
| Model Number | AGF-M8T | Size | Miniature | |
| Usage | General Purpose | Contact Load | Low Power | |
| Protect Feature | Sealed | Theory | Voltage Relay |
Product Description
General
AGF-T Perforation type PV confluence acquisition device is specially designed for smart PV combiner box. It is used for monitoring the running state of solar panels in solar cell arrays, measuring the currents of solar cell, detecting the state of surge protection devices and DC breaker. The device is equipped with RS485(Modbus) communication port for transmitting all the datas to master device.
Coding Rule
Characteristics
◆ Primary current is connected in through perforation. Easy installation, high safety.
◆ With Hall sensor, the max isolation measuring current 20A
◆ Voltage measurement range for Bus bar is up to DC1.5kV
◆ LED display, fit for checking and testing operation in wide-temperature or outside environment.
◆ With the function of inner temperature measurement for real-time measurement of the inner
temperature of combiner box
◆ With RS485 Modbus RTU
◆ More options of power supply
◆ Compatible with din rail installation and baseboard fixation installation, small dimension saving more
box space.
Main Function
◆ Photovoltaic cell open circuit alarm to cooperate with group string voltage and judge Comprehensively
◆ With 3-channel switching state monitoring to collect output idle contact information of DC breaker 、lightning protector. protector etc
◆ Option RS485 port, Modbus-RTU protocol; programmable slave address, baud rate, data format
◆ English LCD display,convenient to set parameters and check the data
Technical Parameters
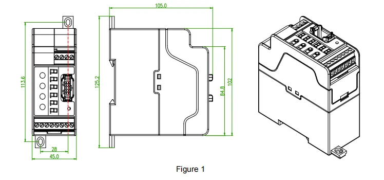
Dimension drawings (Unit: mm)
Power supply module size(Figure 1)

Note: Imaginary line is the fixing size of the bottom plate
As power supply module is heavy, bottom plate is needed in installation to avoid its coming off during
transportation.
Confluence acquisition module installation dimension
8-channel confluence acquisition module installation dimension(Figure 2)

4-channel confluence acquisition module installation dimension(Figure 3)

Configuration of 8-channel or 4-channel confluence acquisition module will be decided by actual needs:
when 4 channels or less are needed, 4-channel confluence acquisition module will be installed, when
needed channel number is 5 to 8, 8-channel confluence acquisition module will be installed. When needed
channel number is more than 8, then the number will be divided by 8. If there is a remainder in the result
and the remainder is less than 4, then 4-channel confluence acquisition module will be installed. If the
remainder is more than 4, 8-channel confluence acquisition module will be installed.
LCD display module installation dimension (Figure 5)

Connections of modules

Data cable connection way
The connection between each module is through the external data line. Please confirm the
sequence of the two external data line ports before connecting each module. Each confluence
acquisition module has two outside connection ports(Figure 4): Port I and Port II, in which Port I is used
to connect upstream module and Port II is used to connect follow-up modules. Please pay attention to it
that the propulsion part of the data line connector must be fixed with the groove on the port.
The connection sequence order of PV confluence acquisition modules must follow: confluence
acquisition module 1’s port Ⅱ-->confluence acquisition module 2’s port Ⅰ ,
confluence acquisition module 2’s port Ⅱ-->confluence acquisition module 3’s port Ⅰ .
When connecting the confluence acquisition modules ,multiple confluence modules should be in
sequence order, it is not allowed to insert any other function module between two sequenced confluence
modules. Wrong connection will lead to abnormal operation of the device.
LCD display module can be connected with Port II of confluence acquisition module, The LCD
display module is not necessary to be connected in at ordinary time except when testing and checking.
The address allocation of PV confluence acquisition module is automatically distributed by the
power module(main module), The first confluence acquisition module connected to the power module
will be distributed automatically with 1st to 8th channels, and the next confluence acquisition module
connected to port II will be distributed automatically with 9th to 16th channels, the final confluence
acquisition module is distributed automatically with 17th to 24th channel.
Installation schematic
Note: The arrow shows current direction. Wrong connection will lead to abnormal operation of the device.
Definition of input port
After the address of confluence acquisition module is distributed by the main module,the input
channel address of first module is from 1st to 8th channel,the input channel address of second
confluence acquisition module is from 9th to 16th channel,the input channel address of final confluence
acquisition module is from 17th to 24th channel. The input channel definition of 1st to 8th channel of a
single module is shown as Figure 3.
Contact Us
- Acrel Electric Co., Ltd
- Contact nameShelly Zhang Chat Now
- Phone86-21-18702111813
Product Categories
New Products
-
AC Current Transducer BD-AI Power Supply 85~265V AC 35mm DIN Rail/Screw Fixed CE Certificate 1-phase 2-wire
-
AC Current Transducer BD-AI 1-phase 2-wire Input 0~1A AC 0~5A AC Din Rail DC Current Transducer With 420ma Output
-
Acrel BD AI Electrical Transducer Input AC 0-1/5A Output 4-20mA Power AC/DC 85-270V
-
AC Current Transducer BD-AI Power Supply 85~265V AC 35mm DIN Rail/Screw Fixed CE Certificate 1-phase 2-wire
-
Acrel AWT100-4GHW MQTT Wireless Smart Gateway With RS485 Din Rail DC24 Power Supply
-
IOT System Wireless Communication Devices Acrel AWT100-4GHW Terminal Smart Gateway RS485 To WiFi
-
Acrel AWT100-4GHW IoT Smart 4G Gateway IOT System Wireless Communication Devices
-
AWT100-LoRaHW Wireless Communication Terminal Smart Gateway IoT Gateway Used For Building Automation And Security
-
Acrel Wireless AWT100-LoRaHW IOT Smart Solution With Lora Protocol Lorowan Gateway
-
AWT100-LoRaHW IoT Smart LoRa Gateway RS485 24Vdc Default 85~265Vac Vdc LoRa MODBUS-RTU CE-RED Certificate
-
AWT100-LoRaHW IoT Smart LoRa Wireless Gateway RS485 24Vdc Default 85~265Vac Vdc via AWT100-POW Terminal Mode&Relay Mode
-
AWT100-LoRaHW IoT Smart LoRa Gateway RS485 24Vdc Default 85~265Vac Vdc via AWT100-POW Module
-
Acrel AMB100-A-P1 Power Analyzer Meter Three Phase Energy Meter Protection Module For Data Center Smart Busbar
-
Acrel AMB100-A-P1 Busway Monitoring Meter Three Phase Energy Meter Protection Module For Data Center Smart Busbar Din Rail
-
Acrel AMB100-A-P1 Power Analyzer Meter Three Phase Energy Meter Protection Module For Data Center Smart Busbar
-
ACREL AMB100-A Three-phase AC Start Box Real-time Monitoring Module Temperature Measurement Device With RS485 Modbus-RTU
-
Acrel AMB100-A Busway Power Monitoring Meter Din Rail Installation RS485 Measurement of All Electrical Parameters Small Busbar System
-
Acrel ADL300-EY AC 3 Phase 3*1(6)A/10(80)A Current Input Prepayment Meter Prepayment Electric Meter For Commercial Center
-
ADL300-EY Series Prepayment Meter 3x1(6)A AC 3x10(80)A AC Input Din Rail Prepayment Meter For Commercial Center Industrial Zone
-
ADL300 EY Three Phase Complete Electrical Parameter Measurement Support Cost Control Time Control 3x10(80)A AC 3x1(6)A AC
-
ADL300-EY Three-phase Prepaid Postpaid Energy Meter 3x10(80)A AC 3x1(6)A AC RS485 Built-in Holding Relay for Switch On-off
-
Three Phase Prepaid Energy Meter Direct Connect 3*10(80)A RS485 Communication CE Certificate Smart Meter Electrical
-
LCD Display PZ72L-DE Multi Tariff Energies Optional DC Solar pv Energy Monitor Energy Meter For Solar System Metering System
-
China Manufacturer High Precision PZ72L-DE LCD Display pv Energy Monitor Energy Consumption Electric Meter Power Analyzer Watt
Popular Searches
- voltmeter
- panel meter
- multimeter
- ammeter
- electronic meter
- energy meter
- phase multifunction meter
- power meter
- energy power meter
- kwh meter
- electric meter
- electricity meter box
- digital energy meter
- watt-hour meter
- electric meter remote wireless
- digital meter counter
- electricity meter case
- smart ammeter
- smart metering
- electricity meter lcd
Recommended Products
- Bosch Rexroth HMV01.1R-W0018-A-07-FNN1: Precision Hydraulic Valve Control Module
- MOOG D137-001-007: Solving Motion Control Drift in Demanding Industrial Setups
- B&R 7AI261.7: Precision Analog Input That Won’t Ghost Your Process Data
- Why Your Turbine Vibration Monitoring Can't Afford Cheap Probes: Bently Nevada 3300 XL 8mm (330101-00-16-10-02-00)
- Bently Nevada 330101-23-39-10-12-CN Proximity Probes: Precision Vibration Monitoring for Critical Machinery
- Fanuc A06B-6141-H022#H580: Your CNC Spindle’s Quiet Powerhouse for Heavy-Duty Cuts
- Bently Nevada 330103-00-07-05-02-05 3300 XL 8 mm Proximity Probe: Precision Shaft Monitoring for Critical Machinery
- HIMA F3 DIO 20/8 02: Precision Safety Control for Critical Industrial Operations
- Why the ICS Triplex T8300 Expander Won’t Let Your Critical Process Stumble
- HIMA X-FAN 18 03: Your Cabinet's Silent Guardian for Critical Control Systems
- HIMA F3105 Smart Safety Controller: Your Last Line of Defense in Critical Processes
- Fanuc A06B-6290-H208: Precision Spindle Control That Won’t Quit on Your CNC Line
Find Similar Products By Category
- Electrical & Electronics > Relay & Contactor > Relay
- Please Enter your Email Address
- Please enter the content for your inquiry.
We will find the most reliable suppliers for you according to your description.
Send Now-
Shelly Zhang
Hi there! Welcome to my shop. Let me know if you have any questions.
Your message has exceeded the limit.
- Contact supplier for lowest price
- Customized Request
- Request Sample
- Request Free Catalogs
Your message has exceeded the limit.
-
Purchase Quantity
-
*Sourcing Details
Your inquiry content must be between 10 to 5000 characters.
-
*Email
Please enter Your valid email address.
-
Mobile





Acrel DJSF1352-RN Din Rail DC Energy Meter For Photovoltaic Solar System With LCD Display RS485 Modbus-RTU 85-265 Power Supply
Acrel DJSF1352-RN DC Dual-circuits Monitoring DIN Rail Energy Meter 75mV With Shunt 4~20mA With Hall Sensor
BD Electrical Transducer Power Supply 85~265V AC 50Hz Current Transducer With Voltage 420ma Output for Industrial Automation








Acrel AWT100-4GHW MQTT Wireless Smart Gateway With RS485 Din Rail DC24 Power Supply
AWT100-LoRaHW Wireless Communication Terminal Smart Gateway IoT Gateway Used For Building Automation And Security
Acrel AMB100-A-P1 Power Analyzer Meter Three Phase Energy Meter Protection Module For Data Center Smart Busbar
Acrel ADL300-EY AC 3 Phase 3*1(6)A/10(80)A Current Input Prepayment Meter Prepayment Electric Meter For Commercial Center
LCD Display PZ72L-DE Multi Tariff Energies Optional DC Solar pv Energy Monitor Energy Meter For Solar System Metering System