YBJY80 Motors for Fuel Dispensers
You May Like
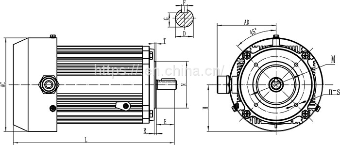
Product Description
Specific parameters can be viewed in the attachment, all products can be customized
model |
number of poles | Installation dimensions and tolerances(mm) | overall dimensions(mm) | ||||||||||||||||||||
D | E | F | G | H | N | R | T | M | n | S | AC | AD | L | ||||||||||
Basic dimensions | Limit | Basic dimensions | Limit | Basic dimensions | Limit | Basic dimensions | Limit | Basic dimensions | Limit | Basic dimensions | Limit | Basic dimensions | Limit | Basic dimensions | Limit | Basic dimensions | Basic dimension | Basic dimensions | Basic dimensions | Basic dimension | Basic dimensions | ||
YBJY63M | 2、4 |
14 | 0 -0.021 |
27 |
±0.31 | 5 | 0 -0.03 |
11 | 0 -0.10 |
63 | 0 -0.5 |
47 | -0.04 -0.08 |
0 |
5 | 0 -0.1 |
116 |
4 |
?7 |
122 |
76 | 214 | |
YBJY63L | 2、4 | 239 | |||||||||||||||||||||
YBJY71M | 2、4 |
14 | +0.008 -0.003
|
30 |
±0.2 | 5 | 0 -0.03 |
11 | 0 -0.10 |
71 | 0 -0.5 |
?70 | -0.02 -0.05 |
2.5 | +0.2 0 |
?85 | 4 | M6 | 140 | 88 | 355 | ||
YBJY71L | 2、4 | 391 | |||||||||||||||||||||
YBJY80M | 2、4 |
?19 | +0.009 -0.004
|
40 |
±0.31 | 6 | 0 -0.03 | 15.5 | 0 -0.10 |
80 | 0 -0.5 |
?80 | -0.02 -0.05 | 3.5 | 0 -0.12 |
?100 | 4 | M6 | 148 | 95 | 296 | ||
YBJY80L | 2、4 | 309 | |||||||||||||||||||||
YBJY90S | 4、6 |
?14 | +0.009 -0.004
| 28 | ±0.31 | 5 | 0 -0.03 | 11 | 0 -0.10 |
90 | 0 -0.5 |
?95 | -0.02 -0.05 | 3.5 | 0 -0.12 |
?115 | 4 | M8 | 156 | 98 | 275 | ||
YBJY90M | 4、6 | 295 | |||||||||||||||||||||
YBJY90L | 4、6 | 325 | |||||||||||||||||||||
YBJY100S | 2、4、6 |
19 | +0.009 -0.004 | 48 | ±0.31 | 6 | 0 -0.03 | 15.5 | 0 -0.10 | 98 | 0 -0.5 | ?95 | 0 -0.05 |
5 | 0 -0.2 |
?115 | 4 | M8 | 187 | 113 | 302 | ||
YBJY100M | 2、4、6 | 322 | |||||||||||||||||||||
Contact Us
- Yunor Explosion-proof Technology Co., Ltd.
Product Categories
| DC motor | Explosion-proof pump | asynchronous motor | Motor |
| Refueller accessories |
New Products
-
YY631 Special Motor for Experimental Instruments
-
YBJY63 Special Motor for Experimental Instruments
-
YBJY71 Special Motor for Experimental Instruments
-
BS01 DC Brushless Permanent Magnet Motor for Oil and Gas Recovery
-
BS03 DC Brushless Permanent Magnet Motor for Oil and Gas Recovery
-
BS04 DC Brushless Permanent Magnet Motor for Oil and Gas Recovery
Popular Searches
- pressure sensor
- pressure transducer
- pressure transmitter
- cable gland
- construction machine
- tower crane
- overhead crane
- electronic instrument
- digital indicator
- axial fan
- liquid meter
- pressure gauge
- led high bay light
- level transmitter
- asynchronous motor
- pressure indicator
- electromagnetic starter
- asynchronous electric motor
- induction electric motor
- beam crane
- led explosion proof light
- analog transmitter
- explosion proof induction motor
- explosion proof motor
- gasoline generator
- starter motor
- electric motor
- gasoline engine
- universal motor
- power generator
Recommended Products
- Brushless Motor Manufacturer Supplies 48V 60V 72V 24V 1KW 1500W~10KW 1500R 3000R Hall Sensor With High Quality and Low Price
- Brush DC Motor Rotor
- Governor Speed Adjusting Motor Suitable for WOODWARD,ZEXEL,EUROPA Governor
- Manufacturer Supply 5V 10mm Micro Stepping Motor With Linear Screw Shaft
- Precision - Engineered DC Gear Motor: Optimal for Industrial Use
- High - Torque DC Gear Motor for Heavy - Duty Applications
- Recision - Manufactured DC PM Motor for Optimal Performance
- Energy - Saving DC PM Motor - Your Reliable Power Source
- High - Torque DC PM Motor: Ideal for Industrial Applications
- Remium Quality DC Brushless Motor With Long - Lasting Durability
- Energy - Efficient DC Brushless Motor - Your Ideal Power Solution
- High Performance DC Brushless Motor for Industrial and Home Applications
Find Similar Products By Category
- Electrical & Electronics > Electric Motor > DC Motor
Product Tags:
- Please Enter your Email Address
- Please enter the content for your inquiry.
We will find the most reliable suppliers for you according to your description.
Send Now-
sales
Hi there! Welcome to my shop. Let me know if you have any questions.
Your message has exceeded the limit.
- Contact supplier for lowest price
- Customized Request
- Request Sample
- Request Free Catalogs
Your message has exceeded the limit.
-
Purchase Quantity
-
*Sourcing Details
Your inquiry content must be between 10 to 5000 characters.
-
*Email
Please enter Your valid email address.
-
Mobile




YBJY90 Motors for Fuel Dispensers
YBJYN80 Motors for Fuel Dispensers
Explosion-proof Electrical Connection Box
Explosion-proof Junction Box
Filter Element
YS100 Special Motor for DC Brushless Permanent Magnet Fan

YY631 Special Motor for Experimental Instruments
YBJY63 Special Motor for Experimental Instruments
YBJY71 Special Motor for Experimental Instruments
BS01 DC Brushless Permanent Magnet Motor for Oil and Gas Recovery
BS03 DC Brushless Permanent Magnet Motor for Oil and Gas Recovery
BS04 DC Brushless Permanent Magnet Motor for Oil and Gas Recovery
Solar Panel Cleaning Motor
BS370-DC310V Brushless dc Motor
YBD71 Explosion-proof Pump
YBD Flameproof Capacitor Runs Single-phase Asynchronous Motor
YBL Flameproof Capacitor Runs Single-phase Asynchronous Motor
YBJYN100 Flameproof Three-phase Asynchronous Motor
YBJY63 Motors for Fuel Dispensers