Home > Products > seal kit > FOMI OEM NEW Wheel Loader HL730-9 Steering Cylinder Seal Kit XKCC-00551
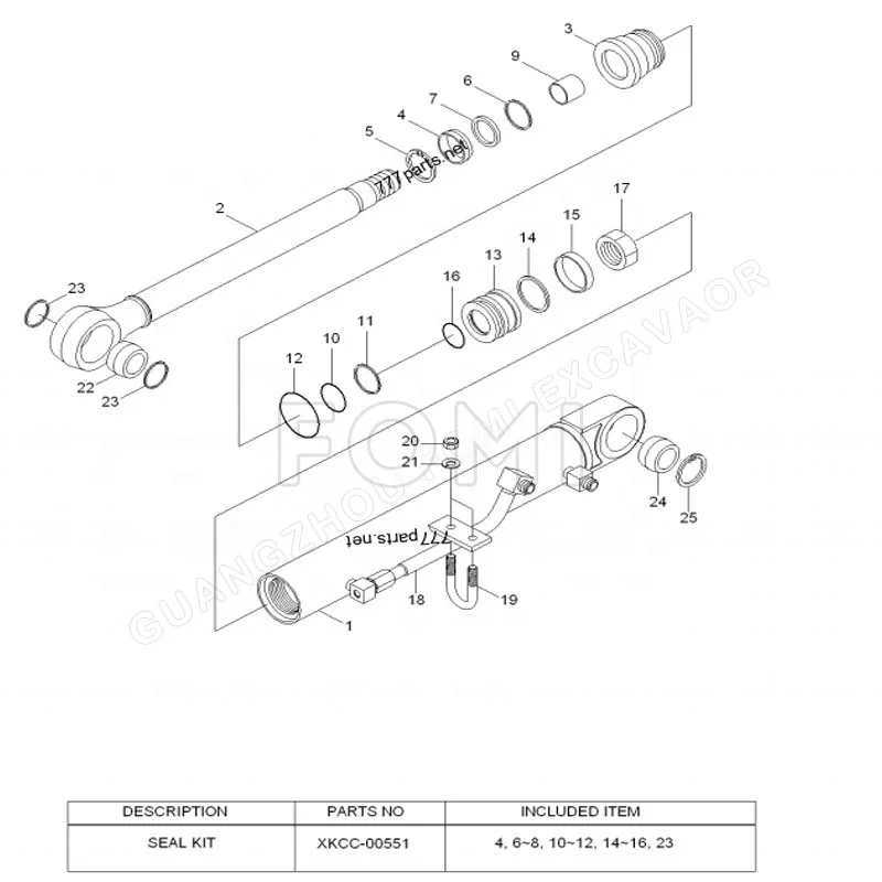
FOMI OEM NEW Wheel Loader HL730-9 Steering Cylinder Seal Kit XKCC-00551
- Huangpu port
- T/T Credit Card
You May Like
-
FOMI OEM NEW Wheel Loader HL780-7A HL7803A Steering Cylinder Seal Kit 31Y2-03580
-
FOMI OEM NEW Wheel Loader HL780-7A HL7803A Seal Kit 31Y2-03180
-
FOMI OEM NEW Wheel Loader HL780-7A HL7803A Seal Kit 31Y2-03400
-
VOE21347087 85108352 11216290 21081526 1549398 Crankshaft Oil Seal For D12 D13 D16 Truck A25D A40E A25E A30E
-
R944B Seal Kit LBH- 9144401
-
Genuine EC700C Bucket Service Kit EC700C Boom Seal Kit
Product Details
| Brand Name | FOMI | Place of Origin | Guangdong, China | |
| Model Number | D6D |
Product Description
Model | HL730-9 | Part Name | seal |
Production Capacity | 1000pcs /Month | Condition | Original New |
Weight | 5kg | Delivery Time | 3 days |
Warranty | 6 months | Original of city | Korea |


Main Features
1) 100% original genuine new
2) 24 months warranty for original pump
3) fast delivery and good services








Handok hydraulic pump
HPV102/HPV118/HPV145 hydraulic pump
korea made high quality
12 months warranty
handok k3v280 hydraulic pump much stock
ZX200/ZX210/ZX230/ZX240
ZX330/ZX350/ZX450/ZX870/ZX850/ZX650
HPV102/HPV118/HPV145 hydraulic pump
welcome to order!




Diesel Engine Assy
S4S/S6S engine assy
S4K/S4K/C9/C-9/C13/C15 engine assy
4HK1/6HK1/6WG1/6BG1 engine assy
J05E/J08E/P11C engine assy
All original new and original used, good condition.
Travel Gearbox and Swing Gearbox
E325D travel gearbox
ZX450 travel gearbox
E330D travel gearbox
PC200-8 travel gearbox
PC300-7 travel gearbox
DX340 travel gearbox
JS220 swing gearbox
Hot sells for travel gearbox, China made high quality for 12 months warranty.


A10VO10 A10VO18
A10VO28 A10VO10
A10VO45 A10VO71
Original A10VO Pump
Japan made, high quality, 24 months warranty.






Welcome to Order
Contact Us
- Guangzhou Skiler Machinery Equipment Co., Ltd.
Product Categories
| electric parts series | engine spare parts | filter series | gear/bearing series |
| hydraulic parts series | others | part number | seal kit |
| undercarriage parts series | Ungrouped |
New Products
-
Kalmar Seal Kit N00163-1500 For Port Stacker
-
31Y2-03180 Boom Cylinder Seal Kit For HL780-3 HL780-9S
-
Fomi Diesel Engine Parts EC290B EC290C Spring Pin SA9325-06012 for Excavator
-
Fomi Genuine Diesel Engine Spare Parts EC290B EC290C Bushing VOE14547269
-
Fomi Diesel Engine Parts EC290B EC300D Gear VOE14547268 for Excavator
-
Fomi Diesel Engine Parts EC460B EC290C Thrust Ring SA7118-30380 for Excavator
-
FOMI Excavator Engine Parts 4385915 4210224 Hydraulic Oil Filter EX300-5 EX300LC-5 EX330LC-5 EX350H-5 Suction Filter
-
FOMI Excavator Engine Parts VOE3831236 Wholesale Price Hydraulic Oil Filter 3831236 EC180C EC210C EC240C
-
Wholesale Fuel Filter 05821330 BO MAG
-
Wholesale Oil Filter Air Filter 32/917801 32/917802
-
Wholesale Fuel Water Separator Filter 320/A7124
-
Wholesale Oil Filter 02/910970
-
Wholesale Hydraulic Oil Filter 11707544 HY20804
-
Wholesale Oil Filter 581-18096 LF16045 LFP7212 581/18096
-
Wholesale Fuel Filter 8980742880 332/G0652
-
Wholesale Fuel Water Separator Filter 332/Y3163 332-Y3163
-
Wholesale Oil Filter 320/04133A LF17556 B7350 P502465 MB-JX671 SP4780
-
Wholesale Fuel Filter 02/910155 02910155
-
Wholesale Hydraulic Oil Filter KNJ0288A KNJ0288 P556005 HF7551 SPH9608 3270137950
-
Wholesale Lube Oil Filter 581/M8564 581-M8564
-
Excavator Strainer 22B-60-11160 For PC128 PC138 PC158 PC200 PC300 PC400 PC450-8 PC650-7 D155A D275 D85 BR380JG-1-W1 BZ210-1-W1
-
RETURN OIL FILTER CARTRIDGE YA00033065 For ZX250-5B ZX240-3 ZX330-5G 4443773 4448402 YA00033064 YA00033055
-
Wholesale Oil Filter Element VOE14509379 HF35449 For EC140 EC210 EC240 EC290
-
Oil Fuel Water Separator Filter Fuel Filter 361-9554 P551433 BF46039 7746-D YC15-9176-AA
Popular Searches
- air cleaner part
- diesel engine spare part
- piston ring
- water pump assembly
- oil cooler assembly
- cylinder head gasket
- diesel engine part
- gasket kit
- valve cover gasket
- oil drain plug gasket
- hydraulic motor
- power unit
- genuine cummin
- cylinder liner
- c18
- main bearing
- rear idler
- high pressure oil pipe
- high pressure pipe
- engine gasket kit
- automobile brush
- engine fan
- hose clip clamp
- centrifugal clutch
- concrete mixer motor
- engine parts gear
- fan assembly
- valve rod
- diesel fuel pump
- engine head
Recommended Products
- Volvo D4D Engine Block Diesel Engine Block Assembly Short Engine Block Available for Sale
- New Volvo EC210C EC220D Excavator Engine D6E Cylinder Block Assembly 20941118/22468043/21077566 Valves Diesel Type
- Volvo D7e Crankcase Engine Truck Spare Parts New Diesel Cylinder Block Model 04903977/04294187
- VOLVO EC210B EC240B EC250DL EC300DL Excavator Cylinder Block D7E Engine Accessories Crankcase 04294187
- Hot Selling Volvo D4D Engine EC140 Excavator New Cylinder Block and Crankcase for Sale
- High Quality Deutz BF4M2012 Diesel Engine Short Block Essential Accessories 04296581 Crankcase 04282837 Crankshaft Parts
- Deutz Engine Part 02112405 Unit Pump BFM2012 Single Pump
- Deutz Engine Part 02113694 Unit Pump TCD2013 Single Pump
- DEUTZ BFM1013 Engine Part Unit Pump 02112860
- DEUTZ 2012 Engine Intake Manifold 04284694 Charge Air Pipe
- Volvo D7E Engine Cylinder Head Assembly for EC250DL/EC300DL Excavators New Condition for Construction Industry Model 6HK1
- High Quality New Cylinder Head 04255291 for Deutz Bf6m1013ec & FL912 Engine for Construction Farm Industries Cast Iron Material
Find Similar Products By Category
- Manufacturing & Processing Machinery > Engineering & Construction Machinery > Engineering & Construction Machinery Parts
- Please Enter your Email Address
- Please enter the content for your inquiry.
We will find the most reliable suppliers for you according to your description.
Send Now-
sales
Hi there! Welcome to my shop. Let me know if you have any questions.
Your message has exceeded the limit.
- Contact supplier for lowest price
- Customized Request
- Request Sample
- Request Free Catalogs
Your message has exceeded the limit.
-
Purchase Quantity
-
*Sourcing Details
Your inquiry content must be between 10 to 5000 characters.
-
*Email
Please enter Your valid email address.
-
Mobile




FOMI OEM NEW Wheel Loader HL780-7A HL7803A Steering Cylinder Seal Kit 31Y2-03580
FOMI OEM NEW Wheel Loader HL780-7A HL7803A Seal Kit 31Y2-03180
FOMI OEM NEW Wheel Loader HL780-7A HL7803A Seal Kit 31Y2-03400
VOE21347087 85108352 11216290 21081526 1549398 Crankshaft Oil Seal For D12 D13 D16 Truck A25D A40E A25E A30E
R944B Seal Kit LBH- 9144401
Genuine EC700C Bucket Service Kit EC700C Boom Seal Kit
Kalmar Seal Kit N00163-1500 For Port Stacker
31Y2-03180 Boom Cylinder Seal Kit For HL780-3 HL780-9S
Fomi Diesel Engine Parts EC290B EC290C Spring Pin SA9325-06012 for Excavator
Fomi Genuine Diesel Engine Spare Parts EC290B EC290C Bushing VOE14547269
Fomi Diesel Engine Parts EC290B EC300D Gear VOE14547268 for Excavator
Fomi Diesel Engine Parts EC460B EC290C Thrust Ring SA7118-30380 for Excavator
FOMI Excavator Engine Parts 4385915 4210224 Hydraulic Oil Filter EX300-5 EX300LC-5 EX330LC-5 EX350H-5 Suction Filter
FOMI Excavator Engine Parts VOE3831236 Wholesale Price Hydraulic Oil Filter 3831236 EC180C EC210C EC240C
Wholesale Fuel Filter 05821330 BO MAG
Wholesale Oil Filter Air Filter 32/917801 32/917802
Wholesale Fuel Water Separator Filter 320/A7124
Wholesale Oil Filter 02/910970
Wholesale Hydraulic Oil Filter 11707544 HY20804
Wholesale Fuel Filter 8980742880 332/G0652
Wholesale Fuel Water Separator Filter 332/Y3163 332-Y3163
Wholesale Oil Filter 320/04133A LF17556 B7350 P502465 MB-JX671 SP4780
Wholesale Fuel Filter 02/910155 02910155
Excavator Strainer 22B-60-11160 For PC128 PC138 PC158 PC200 PC300 PC400 PC450-8 PC650-7 D155A D275 D85 BR380JG-1-W1 BZ210-1-W1
RETURN OIL FILTER CARTRIDGE YA00033065 For ZX250-5B ZX240-3 ZX330-5G 4443773 4448402 YA00033064 YA00033055
Wholesale Oil Filter Element VOE14509379 HF35449 For EC140 EC210 EC240 EC290
Oil Fuel Water Separator Filter Fuel Filter 361-9554 P551433 BF46039 7746-D YC15-9176-AA